首页
机构设置
物资采购
新闻动态
通知公告
yl6809永利官网关于智慧物联...
采购信息
办事指南
资产管理
新闻动态
通知公告
办事指南
综合服务
工程招标
政策法规
采购政策
资产政策
规章制度
文档下载
资产管理
采购管理
资产处置
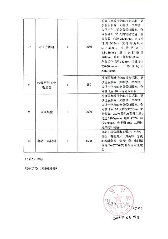
2024.06.20零星采购项目公示
发布时间:2024-06-20 浏览次数:
10
欢迎社会各界符合要求供应商踊跃报名!
公示期:3个工作日
纪检监察室联系方式:TEL 0598-8399682 EMAIL smxyjw@fjsmu.edu.cn
版权:yl6809永利官网国有资产管理处 CopyRight (C)2020
地址:福建省三明市荆东路25号 闽ICP备09009580号 电话:0598-8398519